Performance measurement and analysis of DC-DC buck regulator
Theory
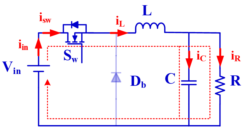
The circuit configuration of buck converter is given in Fig. 1.
Fig.1 Circuit configuration of Buck Converter.
Based on the operation of switch (Sw: ON/OFF-state) the operating principle of the converter is explained below briefly.
|
Mode – I : Switch (Sw): ON and Diode (Db): OFF
|
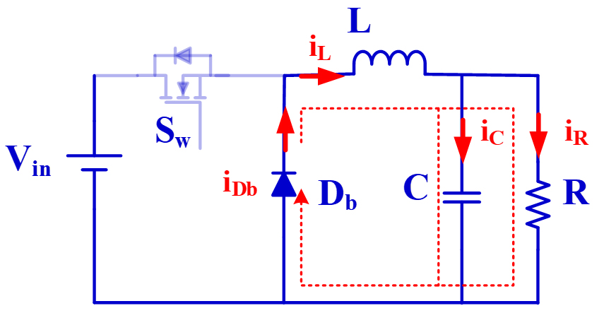
Mode – II : Switch (Sw): OFF and Diode (Db): ON
|
a) Voltage conversion ratio or voltage gain (M)
Voltage across inductor L:
Mode – I :
Mode – II :
Applying volt-sec balance on inductor (eqn. 1 and 2)
On solving eqn. 3
b) Average current through inductor (IL):
Current through capacitor
Mode – I :
Mode – II :
Applying charge-sec balance on capacitor (eqn. 5 and 6)
On solving
Therefore, average inductor current is load current.
c) Power balance under ideal condition (neglecting losses):
Under ideal condition, input power must be equal to output power, hence
Substituting eqns. 4 and 10
d) Inductor current ripple:
From eqn. 1,
Therefore, the inductor ripple current is
e) Current through various components:
The current through various components is given in Fig. 3.
Fig. 3 Current through various components.
|
Mode-I (DT) |
Mode-II (1-D)T |
Average Current | |||
| imin | imax | imin | imax | Iavg | |
| iL | ![]() |
![]() |
![]() |
![]() |
![]() |
| iC | ![]() |
![]() |
![]() |
![]() |
0 |
| iSw | ![]() |
![]() |
0 | 0 | ![]() |
| iDb | 0 | 0 | ![]() |
![]() |
![]() |
f) Voltage and current stress on various components:
| Component | Voltage stress | Current Stress |
| Inductor (L) | ![]() |
![]() |
| Capacitor (C) | V0 | ![]() |
| Switch (Sw) | Vin | ![]() |
| Diode (Db) | Vin | ![]() |
g) Efficiency analysis:
The power loss occurring in various components are given below.
Power loss in inductor:
Power loss in capacitor:
Power loss in switch:
Power loss in Diode:
Total power loss:
h) Effect of non-idealities on voltage gain expression:
Fig. 4 Circuit configuration of conventional buck converter with non-idealities
Voltage across inductor L
Mode – I :

Mode – II :

Applying volt-sec balance on inductor (eqn. 22 and 23)
Simplifying eqn. (24) results in
(Effect of rc is not considered for simplification of equation)















